SQL Ошибка для [select product from phpshop_modules_productlastview_memory where memory='a2d53573ebe80c82934c55d72d93442e' limit 1] . Table './skladopt/phpshop_modules_productlastview_memory' is marked as crashed and last (automatic?) repair failed.
Ошибка в модуле Productlastview. Выключите или переустановите модуль Productlastview в Панели управления через меню Модули → Управление модулями → Установленые.
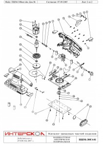
Накладка резиновая ПШМ-300Э;ПШМ-300Э-01;ПШМ-115/300Э ТМ Интерскол 30.06.00.04.00 - Ленточные - Шлифовальные и полировальные машины